jueves, 23 de diciembre de 2021

VÁLVULA DE SECUENCIA NEUMÁTICA

VÁLVULA NEUMÁTICA DE SECUENCIA REGULABLE

Estas válvulas funcionan según el mismo principio que las válvulas  limitadora de presión. La válvula abre el paso si la presión es mayor al valor que se ha ajustado con el muelle. El aire pasa de 1 (P) hacia 2(A). La salida 2(A).la salida 2(A)  abre, solamente cuando la presión en el conducto de mando 12(Z) alcanza el valor de presión ajustado previamente. Un émbolo de mando se encarga de abrir el  paso de 1 (P) hacia 2(A).


valvula de secuencia neumatica, valvula de secuencia, valvula reguladora de caudal, valvula de estrangulación, valvula estranguladora, válvulas de caudal,

Las válvulas de secuencia son utilizadas en mandos neumáticos cuando es necesario disponer de una presión determinada para ejecutar una operación de conmutación (mandos en función de la presión).

 Ver  video  explicativo       https://youtu.be/GGui7Nt-UMc

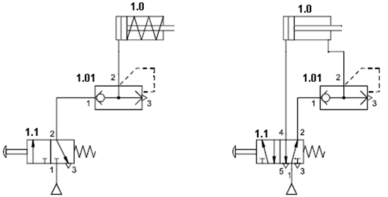
Esquema de distribución con válvula de secuencia

valvula de secuencia neumatica, valvula de secuencia, valvula reguladora de caudal, valvula de estrangulación, valvula estranguladora, válvulas de caudal,

Figura.  

Circuito con válvula de secuencia 

 

valvula de secuencia neumatica, valvula de secuencia, valvula reguladora de caudal, valvula de estrangulación, valvula estranguladora, válvulas de caudal,Figura.  

Circuito con válvula de secuencia

Ver  video  explicativo       https://youtu.be/GGui7Nt-UMc









VÁLVULA TEMPORIZADORA NEUMÁTICA

VÁLVULA  TEMPORIZADORA  NEUMÁTICA

VÁLVULA  TEMPORIZADORA, válvula temporizadora neumática, circuito neumático, circuito neumático ejemplos, componentes neumáticos,  equipos neumáticos,

Las válvulas temporizadoras están compuestas de una válvula neumática de 3/2  vías, una válvula de estrangulación y antirretorno y de un pequeño acumulador de aire a presión. La válvula de 3/2 vías puede tener posición normal de bloqueo o de paso abierto. El tiempo del retardo conseguido en los dos tipos  de válvulas de retardo cubre normalmente un margen de 0 hasta 30 segundos. EI pequeño acumulador auxiliar permite aumentar el tiempo de retardo. El tiem­po previsto para la conmutación puede ajustarse con gran precisión, siempre y cuando el aire esté limpio y la presión sea constante.

Temporizador a la conexión neumático  normalmente cerrado

VÁLVULA  TEMPORIZADORA, válvula temporizadora neumática, circuito neumático, circuito neumático ejemplos, componentes neumáticos,  equipos neumáticos,    
Funcionamiento

El aire a presión llega por la conexión (1) de la válvula. El aire del circuito de mando entra por la válvula  por la entrada (12) y  atraviesa la válvula de estrangulación y antirretorno. Con el tornillo  regulador se determina la cantidad de aire que por unidad de tiempo pasa al pequeño acumulador. Una vez que en éste la presión de  mando  es suficiente, el embolo de la válvula 3/2 vías es desplazado hacia abajo, con lo que bloquea el paso de (2) a (3). El plato es separado del asiento, con lo que  el aire puede pasar de (1)  hacia (2). El punto de conmutación es determinado por el tiempo necesario para generar la presión respectiva en el acumulador.

 

Para que la válvula  temporizadora vuelva  a su posición normal, tiene que evacuarse el conducto de mando (12). El aire proveniente del acumulador fluye a través de  la válvula de estrangulación y antirretorno  hasta llegar al exterior. El muelle de la válvula se encarga de  de colocar el émbolo y el plato en sus respectivas posiciones normales. El conducto de trabajo (2) es evacuado por (3)  y la conexión (1) queda bloqueada.

Actividad: Observar el video de FESTO  didactic  "Válvulas combinadas"   http://www.youtube.com/watch?v=lUyUa9EC0Kg

 


Temporizador a la conexión neumático  normalmente abierto

 

VÁLVULA  TEMPORIZADORA, válvula temporizadora neumática, circuito neumático, circuito neumático ejemplos, componentes neumáticos,  equipos neumáticos,


Si la válvula  3/2   tiene abierto el paso en posición normal, entonces la salida normalmente abierta, la salida (2)  recibe una señal.  Si la válvula conmuta  por recibir una señal en la entrada  (10), se evacua el conducto de trabajo (2) por (3) . Ello tiene como consecuencia que la señal de  salida es cancelada una vez  trascurrido  el tiempo ajustado.

El tiempo de retardo corresponde también en este caso al tiempo necesario para la generación de la presión correspondiente en el acumulador. Si se retira el aire de la conexión 10(Z), la válvula de 3/2 vías vuelve a su posición normal.

 

VÁLVULA  TEMPORIZADORA, válvula temporizadora neumática, circuito neumático, circuito neumático ejemplos, componentes neumáticos,  equipos neumáticos,

Figura.  

Uso  de válvula  temporizadora  neumática  .- Circuito  ciclo único  temporizado

Ver  video  explicativo   de un  circuito  de  aplicación      https://youtu.be/cZiQqcYs8pA

Ver  video  explicativo    de un  circuito  temporizado    https://youtu.be/BeAcuaAMt48


Uso  de  válvula  temporizadoras  para crear pulsos de señales

En el esquema de distribución de esta página hay dos válvulas temporizadoras. Una válvula (1.5) está cerrada en posición normal, mientras que la otra (1.4) tiene el paso abierto en posición normal. Oprimiendo el pulsador de 1.2 se emite una señal hacia la válvula 1.4, y desde ahí es transmitida a la entrada 14(Z) de la válvula de impulsos. El cilindro 1.0 avanza. En la válvula temporiza­dora ha sido ajustado un tiempo de retardo corto, por ejemplo de 0,5 segundos. Este tiempo es suficiente para iniciar el movimiento de avance. A conti­nuación, la señal de mando 10(Z) proveniente de la válvula temporizadora can­cela inmediatamente la señal en la entrada 14(Z). El vástago del cilindro actúa sobre el interruptor de final de carrera 1.3. La válvula tempotizadora 1.5 recibe la señal de mando, por lo que abre la válvula una vez transcurrido el tiempo que ha sido ajustado con antelación. Entonces, el temporizador emite una se­ñal a la entrada 12(Y) de la válvula de impulsos. La válvula conmuta y el cilin­dro retrocede. A continuación puede activarse la ejecución de un nuevo ciclo activando la válvula 1.2.

VÁLVULA  TEMPORIZADORA, válvula temporizadora neumática, circuito neumático, circuito neumático ejemplos, componentes neumáticos,  equipos neumáticos,

 

Actividad: Observar el video de FESTO  didactic     "Válvulas combinadas"   http://www.youtube.com/watch?v=lUyUa9EC0Kg








Válvula Iimitadora de presión neumática

Válvula Limitadora de presión neumática

Las válvulas son utilizadas principalmente como válvulas de seguridad (válvulas de sobrepresión), ya que evitan que la presión en el sistema sea mayor que presión máxima admisible. Una vez que la presión puesta en la entrada de la válvula de seguridad llega a la presión máxima que se ha ajustado en dicha válvula se abre la salida, con lo que el aire es evacuado hacia afuera. La válvu­la mantiene abierta hasta que el muelle la vuelve a cerrar una vez que la presión alcanza nuevamente el nivel dé presión que se haya ajustado en función ­de la curva característica del muelle.

Las válvulas son utilizadas principalmente como válvulas de seguridad (válvulas de sobrepresión), ya que evitan que la presión en el sistema sea mayor que presión máxima admisible. Una vez que la presión puesta en la entrada de la válvula de seguridad llega a la presión máxima que se ha ajustado en dicha válvula se abre la salida, con lo que el aire es evacuado hacia afuera. La válvu­la mantiene abierta hasta que el muelle la vuelve a cerrar una vez que la presión alcanza nuevamente el nivel dé presión que se haya ajustado en función ­de la curva característica del muelle.

 

Actividad: Observar el video de FESTO  "Válvulas de Presión"    http://www.youtube.com/watch?v=jCxDj8ip-OI

valvula limitadora  de presión, válvula limitadora de presión neumática, regulador de presión de aire, regulador de aire para compresor,

 VÁLVULA LIMITADORA DE PRESION HIDRÁULICA    

 https://youtu.be/tYXy9m05fLk


 

 


 






Válvula Reguladora de Presión sin y con orificio de escape

Válvula Reguladora de Presión sin  orificio de escape

unidad de mantenimiento, unidad mantenimiento neumatica,  filtro neumatico , regulador de presión de aire, regulador de aire para compresor,

Estas válvulas son utilizadas para mantener una presión constante, incluso si oscilase la pre­sión en la red neumática. La presión mínima de entrada tiene que ser mayor que la presión de salida.

Las válvulas reguladoras de presión, proporcionan una presión constante en un sistema que funcione a una presión más baja que la suministrada por el equipo de producción. 
La válvula reguladora de presión mantiene constante la presión de trabajo, sean cuales fueren las oscilaciones de presión en la red y en el consumo de aire. Dependiendo de su construcción (con/sin orificio de escape) funcionan de forma algo diferente.

unidad de mantenimiento, unidad mantenimiento neumatica,  filtro neumatico , regulador de presión de aire, regulador de aire para compresor,

Por medio del tornillo de ajuste se pretensa el muelle que está unido solidario al diafragma. Según el ajuste del muelle, se abre más o menos el paso del lado primario al secundario. El vástago con la membrana se separa más o menos del asiento de junta.

Si no hay consumo de aire comprimido en el lado secundario, la presión aumenta y empuja a la membrana, venciendo la fuerza del muelle. El muelle empuja el vástago hacia arriba, y en el asiento se cierra el paso de aire. Sólo después de descomprimir el lado secundario, puede fluir de nuevo aire comprimido del lado primario. 

unidad de mantenimiento, unidad mantenimiento neumatica,  filtro neumatico , regulador de presión de aire, regulador de aire para compresor,

Válvula Reguladora de Presión con orificio de escape

El funcionamiento es similar al descrito para la válvula sin orificio, pero en ésta, cuando la presión secundaria aumenta demasiado y la membrana es empujada contra el muelle, entonces se abre el orificio de escape en la parte central de la membrana y el aire puede salir a la atmósfera por los orificios de escape existentes  (3) . El lado secundario se descomprime automáticamente por acción del escape implementado

El funcionamiento es similar al descrito para la válvula sin orificio, pero en ésta, cuando la presión secundaria aumenta demasiado y la membrana es empujada contra el muelle, entonces se abre el orificio de escape en la parte central de la membrana y el aire puede salir a la atmósfera por los orificios de escape existentes  (3) . El lado secundario se descomprime automáticamente por acción del escape implementado.   


 

 

VÁLVULA HIDRÁULICA DE ESTRANGULACIÓN REGULABLE

VÁLVULAS DE ESTRANGULACIÓN REGULABLE

valvula reguladora de caudal, valvula de estrangulación, valvula estranguladora, válvulas de caudal,

Actividad: Observar el video   

VÁLVULA DE ESTRANGULACION Y ANTIRETORNO HIDRÁULICA https://youtu.be/jAp_TwE074A



Las válvulas de estrangulación regulan el caudal del aire a presión en ambas direcciones. Si, además de la válvula de estrangulación, también se instala una válvula de antirretorno, la velocidad es regulada sólo en una dirección.
 

VÁLVULA DE ESTRANGULACIÓN EN AMBAS DIRECCIONES

Las válvulas de estrangulación suelen ser regulables. El ajuste correspondiente puede ser fijado. Las válvulas de estrangulación son utilizadas para controlar velocidad de los cilindros. Deberá ponerse cuidado en que la válvula de estrangulación nunca esté cerrada del todo

 
Modifica el caudal del aire a presión en los dos sentidos, normalmente son regulables, mediante un tornillo se realiza la estrangulación del paso del aire.
valvula reguladora de caudal,valvula de estrangulación,valvula estranguladora,válvulas de caudal,           
            

Actividad: Observar el video de FESTO didactic "Válvulas de caudal"    http://www.youtube.com/watch?v=GBiCMbxRiHA

VÁLVULA DE ESCAPE RÁPIDO

 VÁLVULA DE ESCAPE RÁPIDO
válvula de escape válvula de escape,


Las válvulas   de escape rápido tienen la finalidad de aumentar la velocidad de los cilindros. Con ellas se puede reducir el tiempo de retroceso demasiado prolongado, especialmente tratándose de cilindros de simple efecto. Dé esta manera es posible que el vástago de un cilindro retroceda casi a velocidad máxima, ya que la resistencia del aire desplazado es disminuida porque dicho  aire es evacuado a través de la válvula de escape rápido. El aire es evacuado a  través de una abertura relativamente grande. La válvula tiene una conexión bloqueable de presión (1), una conexión bloqueable de escape (3) y una salida (2). 

válvula de escape válvula de escape,  

 

 Figura. 

VÁLVULA DE ESCAPE RÁPIDO

 

Si la conexión (1) recibe presión, el plato cubre la salida de escape de aire (3). En consecuencia, el aire a presión pasa de (1) hacia (2). Si en (1) ya no hay presión, entonces el aire que proviene de (2) desplazará el plato hacia la conexión (1) cerrándola. Entonces, el aire  evacuado puede salir de inmediato hacia afuera; sin tener que recorrer distancias largas a través de los conductos de mando hasta llegar a la válvula de mando. Es recomendable que las válvulas de escape rápido sean instaladas lo más cerca posible de los cilindros respectivos.

 

válvula de escape válvula de escape,

Figura. 

Aplicación  de las  válvulas de escape rápido

Actividad: Observar el video de FESTO  Válvulas de escape rápido y válvulas de funciones lógicas”  https://www.youtube.com/watch?v=n0D6fW2cQIk

 Ver  video  explicativo   del  circuito            https://youtu.be/B003NaxbP8U


Actividad: Observar el video https://www.youtube.com/watch?v=qZ-a0W4CoEg







VÁLVULA SELECTORA NEUMÁTICA - OR

      VÁLVULA SELECTORA NEUMÁTICA -  OR

Ver  video  explicativo  de un  circuito aplicado      https://youtu.be/9uE6DeX36vA     

Estas válvulas tienen dos entradas (1 y 3) y una salida (2). Si la entrada (1 )recibe presión, el émbolo cierra la entrada 2, con lo que el aire pasa de 1 hacia 2. Si él aire pasa de (3) hacia (2), queda blo­queada la entrada (1). Cuando se produce un reflujo del aire al ser eva­cuado el aire del cilindro o de la válvula instalada detrás, el émbolo mantie­ne su posición anterior debido a las presiones existentes en ese caso.

Esta válvula también es denominada elemento "O". Si un cilindro o una válvula de mando ha de accionarse desde dos o más lugares, siempre de­berán utilizarse una o va­rias válvulas selectoras.

valvula selectora or neumatica, valvula or neumatica , valvula or y and,                          
Figura.  Válvulas de selectora  (OR)

 

El siguiente esquema muestra el mando de un cilindro a través de dos válvulas manuales que pueden estar instaladas a diferentes distancias del cilindro.

valvula selectora or neumatica, valvula or neumatica , valvula or y and,

Esquemas de distribución con válvulas selectoras

Ver  video  explicativo  de un  circuito aplicado      https://youtu.be/9uE6DeX36vA     



valvula selectora or neumatica, valvula or neumatica , valvula or y and,

Figura. 

Aplicación  de las  válvulas  AND  y OR















miércoles, 22 de diciembre de 2021

VÁLVULA DE SIMULTANEIDAD - AND

VÁLVULA  AND    SIMULTANEIDAD  

La válvula, de simultanei­dad tiene dos entradas (1 e 3)  y una salida (2). El paso solamente está abierto si recibe una se­ñal en ambas entradas. Una señal de entrada en (1) o (3)  bloquea el paso a raíz de la diferencia de fuerzas en la corredera del cilindro. Si las seña­les de entrada no son re­cibidas simultáneamente, la última señal que llega pasa a la salida. Si las señales de entrada tie­nen una presión diferen­te, la presión más grande cierra la válvula, con lo que la presión más pe­queña pasa a la salida (2). La válvula de simultanei­dad es utilizada principal­mente en mandos de bloqueo, funciones de control o enlaces lógi­cos.

válvulas neumáticas, valvulas neumaticas, válvula de simultaneidad, válvula and,                    
Figura.  Válvulas de simultaneidad   (Y)
válvulas neumáticas, valvulas neumaticas, válvula de simultaneidad, válvula and,


válvulas neumáticas, valvulas neumaticas, válvula de simultaneidad, válvula and, 


Esquemas de distribución con válvulas de simultaneidad

Ver  video  explicativo del  circuito       https://youtu.be/JxJ3KPY5gco

 

La inclusión de una válvula de simultaneidad en un esquema de distribución responde a la instalación de dos transmisores de señales (válvulas 3/2 vías posición normal bloqueada) en paralelo o en serie. Sólo se trasmite  una  señal si ambas válvulas están activadas.


Actividad: Observar el video de FESTO didactic   “ Válvulas de escape rápido y válvulas de funciones lógicas 09/14”   en el  enlace     https://www.youtube.com/watch?v=n0D6fW2cQIk

Actividad: Observar el video  Válvulas  AND  y OR https://www.youtube.com/watch?v=C6N3m8y4I0U

https://www.youtube.com/watch?v=mvBok4_-Zc4

 

Actividad:   Observa   el   video    NEUMATICA CIRCUITO NEUMÁTICO FLUID SIM .avi     en el enlace    https://youtu.be/ToIGZAEkXo8

 Actividad:   Observa   el   video   Circuitos neumáticos con Fluid Sim     en el enlace   https://youtu.be/6jEVkiCb2F8 

Actividad:   Observa   el   video     FLUID SIM P V4.2 CIRCUITO NEUMÁTICO

 en el enlace    https://youtu.be/p7-dJIwXhKg

 

 

 

VÁLVULAS ANTIRRETORNO NEUMÁTICA

VÁLVULAS ANTIRRETORNO NEUMÁTICA
válvulas neumáticas, válvulas antirretorno,  VÁLVULAS ANTIRRETORNO NEUMÁTICA, valvulas neumaticas, valvulas antirretorno,

Actividad:   Observa   el   video       en el enlace     https://youtu.be/T-8F1dDN3AE


 Las válvulas de antirretorno pueden bloquear totalmente el paso en una direc­ción mientras que en la dirección contraria pasa el aire con un mínimo de pérdida de presión. El bloqueo de una dirección puede realizarse con conos, bolas, platos o membranas.

válvulas neumáticas, válvulas antirretorno,  VÁLVULAS ANTIRRETORNO NEUMÁTICA, valvulas neumaticas, valvulas antirretorno,  

 La válvula antirretorno es la más simple de todas. Cierra por completo el paso en un sentido y lo deja libre en el contrario, con la perdida de presión lo más pequeña posible.

VÁLVULAS DISTRIBUIDORAS 5/2

VÁLVULAS  DISTRIBUIDORAS  5/2

válvulas neumáticas,	válvulas  3/2, sistemas   neumáticos ,	valvulas  3/2, neumatica industrial,	válvulas  5/2, circuito neumático,	valvulas  5/2,

Observa   el   video “VÁLVULA 5 / 2” en el enlace  https://youtu.be/B9PPxf3a2m4

 


Las válvulas de 5/2 vías tienen cinco conexiones y dos posiciones. Estas válvulas son utilizadas principalmente como elementos de maniobra para el acciona­miento de cilindros. La válvula de corredera longitudinal es un ejemplo de válvula de 5/2 vías. En su calidad de elemento de mando, estas válvulas tienen un émbolo de mando que se encarga de unir o separar los conductos correspondientes efectuando movimientos longitudinales. Se necesita poca fuerza para el accionamiento porque no es necesario superar la resistencia del aire comprimido o de un muelle (método de bola o de plato). En el caso de las válvulas de  corredera longitudinal, es posible aplicar todos los tipos de accionamiento, ya   sean manuales, mecánicos, eléctricos o neumáticos. Estos mismos tipos de accionamiento pueden también ser utilizados para los movimientos de reposición. En estas válvulas, el recorrido de la operación de accionamiento es considerablemente mayor que en el caso de las válvulas de asiento. Esta versión  de válvulas de corredera ofrece problemas de estanqueidad. Las conexiones  de "metal sobre metal", conocidas en la hidráulica, exigen tolerancias mínimas  de la corredera en relación con el taladro en el cuerpo de la válvula.

 

válvulas neumáticas,	válvulas  3/2, sistemas   neumáticos ,	valvulas  3/2, neumatica industrial,	válvulas  5/2, circuito neumático,	valvulas  5/2,         

Figura.  Válvula 5/2 activa manual, retorno por muelle.

válvulas neumáticas,	válvulas  3/2, sistemas   neumáticos ,	valvulas  3/2, neumatica industrial,	válvulas  5/2, circuito neumático,	valvulas  5/2,            

Figura. Válvula de 5/2 biestable con doble  accionamiento  neumático

Tratándose de válvulas neumáticas, la holgura entre la corredera y el taladro del cuerpo de la válvula no debería ser mayor a 0,002- 0,004 mm, puesto que de lo contrario las fugas serían demasiado grandes. Para evitar los gastos que significarían una fabricación de las piezas con esa precisión, se utilizan juntas tóricas y retenes en los cilindros y juntas tóricas en el cuerpo de la válvula. Para evitar daños en las zonas de las conexiones, es posible repartir los elementos de estanqueidad a lo largo de toda la camisa del cilindro.

 

Otro método de estanqueidad consiste en utilizar una junta de plato suspendido con movimientos de conmutación relativamente pequeños. La junta dé asiento une la conexión 1(P) con 2(B) o con 4(A). Las juntas secundarias del émbolo unen las conexiones de evacuación de aire con las conexiones de escape. La válvula tiene en ambos lados una unidad de accionamiento   para controlar el movimiento del émbolo.

 

Válvula de 5/2 vías; asiento de plato suspendido, paso abierto de 1

válvulas neumáticas,	válvulas  3/2, sistemas   neumáticos ,	valvulas  3/2, neumatica industrial,	válvulas  5/2, circuito neumático,	valvulas  5/2,

  
válvulas neumáticas,	válvulas  3/2, sistemas   neumáticos ,	valvulas  3/2, neumatica industrial,	válvulas  5/2, circuito neumático,	valvulas  5/2,

El pilotaje neumático consiste en accionar una válvula a distancia aprovechando la fuerza que produce el aire a presión. Esta fuerza se utiliza para desplazar el núcleo de la válvula y producir la conmutación de las vías. La mayoría de las veces se aprovecha la presión de la red para la actuación. 

válvulas neumáticas,	válvulas  3/2, sistemas   neumáticos ,	valvulas  3/2, neumatica industrial,	válvulas  5/2, circuito neumático,	valvulas  5/2,

Figura.   Esquema de distribución: Válvula de 5/2 vías con cilindro de doble

 

Actividad:   Observa   el   video    NEUMATICA CIRCUITO NEUMÁTICO FLUID SIM .avi     en el enlace    https://youtu.be/ToIGZAEkXo8

Actividad:   Observa   el   video   Circuitos neumáticos con Fluid Sim     en el enlace   https://youtu.be/6jEVkiCb2F8

 Actividad:   Observa   el   video     FLUID SIM P V4.2 CIRCUITO NEUMÁTICO

 en el enlace    https://youtu.be/p7-dJIwXhKg

Ver  video  explicativo   de un  circuito  neumático    https://youtu.be/7g8-c6vI01o

 

VÁLVULAS 5/2 MONOESTABLE

Estas válvulas son utilizadas principalmente como elementos de maniobra para el acciona­miento de cilindros.

Figura.  

Válvula de 5/2 vías  MONOESTABLE  con cilindro de doble

 

 

Actividad:   Observa   el   video en YouTube    “VÁLVULA 5 / 2” en el enlace  https://youtu.be/B9PPxf3a2m4

Actividad: Observar el video de FESTO didactic "Válvulas distribuidoras 08/14"    http://www.youtube.com/watch?v=AlW7DYV94pM

 

Actividad:   Observa   el   video    

NEUMATICA CIRCUITO NEUMÁTICO FLUID SIM .avi     en el enlace    https://youtu.be/ToIGZAEkXo8

 

Actividad:   Observa   el   video   

Circuitos neumáticos con Fluid Sim     en el enlace   https://youtu.be/6jEVkiCb2F8

 

Actividad:   Observa   el   video     FLUID SIM P V4.2 CIRCUITO NEUMÁTICO

 en el enlace    https://youtu.be/p7-dJIwXhKg

 

MIRA LA ENTRADA MÁS DESTACADA

SÍNTESIS DE MECANISMOS DE TRES POSICIONES CON PIVOTES FIJOS ESPECIFICADOS

 Síntesis de mecanismos de tres posiciones con pivotes fijos específicos. Problema:   Invierte un mecanismo de cuatro barras que mueve el en...

DALE UNA MIRADA A LAS ENTRADAS MÁS POPULARES